压力开关系列
 压力传感器
 空调电机系列
 热保护器系列
 温控器系列
 阀门系列
 铜制件
 胶带
 
 
 
 
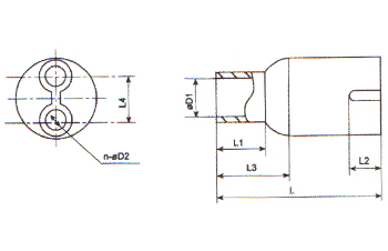
铜制件 >> 叉型管叉型管-常州吉恒电器有限公司
序号 ΦD1 ΦD2 L1 L2 L3 L
1 Φ9 2-Φ7 10 9 16 52
2 Φ6 2-Φ9.3 10 9 16 52
3 Φ9.2 2-Φ9 10 12 20 55
4 Φ10 2-Φ9 10 12 22 55
5 Φ12 2-Φ9 35 10   60
6 Φ16 2-Φ9 15 12   40
7 Φ16 Φ10,Φ6 15 12 21 65
8 Φ10 3-Φ6.1 10 12   150
9 Φ9.2 2-2-Φ4.19 10 12 20 64
10 Φ12 2-Φ4.19 10 12 16 45
11 Φ16.2 2-Φ9.2 14 12   76
12 Φ16 3-Φ9.1 13 15 30 75
13 Φ6.1 2-Φ4.1 8 6   65
14 Φ9.1 2-Φ4.1 8 6   65
15 Φ12.1 2-Φ6.2 12 8 12 55

点击数:3194  录入时间:2008-08-22 【打印此页】 【关闭窗口
 
 
Copyright © 2007 www.jihengelc.com 常州吉恒电器有限公司提供优质的电机热保护器    苏ICP备07503935号
返回首页 | 关于吉恒 | 产品展示 | 在线订单 | 联系我们
手机MP:13861181963 E-mail:sales@jihengelc.com;jihengelc@126.com; msn :henryshi123@hotmail.com