压力开关系列
家用及商用
汽车空调用
可调压控
压力传感器
空调电机系列
热保护器系列
温控器系列
阀门系列
铜制件
胶带
|
铜制件
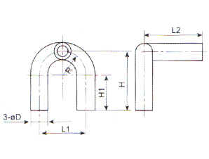
>> 旁三通
旁三通-常州吉恒电器有限公司
序号
L1
H
ΦD
L2
H1
规格
ΦDxt
specification
1
25
30.5
Φ9
20
6
Φ9×0.9
2
63
27.5
2-Φ7,Φ9
14.5
9
Φ8×1
3
43.3
32
Φ9
14.5
9
Φ9×0.9
4
21
22
Φ7
20.5
6
Φ7×0.8
5
25
40
Φ9
20
28
Φ9×0.9
6
25
20.5
Φ9
9.5
8
Φ9×0.9
点击数:3147 录入时间:2008-08-22 【
打印此页
】 【
关闭窗口
】
Copyright © 2007 www.jihengelc.com
常州吉恒电器有限公司
提供优质的
电机热保护器
苏ICP备07503935号
返回首页
|
关于吉恒
|
产品展示
|
在线订单
|
联系我们
手机MP:13861181963 E-mail:sales@jihengelc.com;jihengelc@126.com; msn :henryshi123@hotmail.com