压力开关系列
 压力传感器
 空调电机系列
 热保护器系列
 温控器系列
 阀门系列
 铜制件
 胶带
 
 
 
 
铜制件 >> 过滤器过滤器-常州吉恒电器有限公司
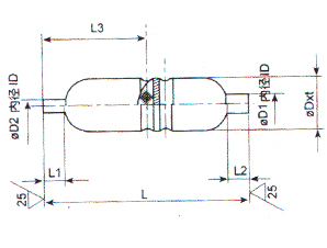
序号 ΦD1 ΦD2 L1 L2 L3 L 规格
ΦDxt
specification
1 Φ6 Φ3.2 7 7 34 67 Φ18×0.8
2 Φ6.2 Φ4.2 10 10 25 50 Φ12×1
3 Φ6.1 Φ14外   10 30 64 Φ14×0.7
4 Φ7.9外 Φ8.1 10 12 32 73 Φ18×0.7
5 Φ9 Φ3.1 8 6 30 65 Φ18×0.7
6 Φ16.1 Φ9 12 12 29 90 Φ25×1
7 Φ28.1 Φ28.1 16 16 22 100 Φ34×2
8 Φ16.1 Φ16.1 14 14 22 65 Φ25×1
9 Φ9 Φ6 7 7 34 75 Φ18×0.7
10 Φ9外 Φ3.2   10 20 70 Φ9×0.75
11 Φ6 Φ3.2 7 7 34 65 Φ18×0.7

点击数:3145  录入时间:2008-08-22 【打印此页】 【关闭窗口
 
 
Copyright © 2007 www.jihengelc.com 常州吉恒电器有限公司提供优质的电机热保护器    苏ICP备07503935号
返回首页 | 关于吉恒 | 产品展示 | 在线订单 | 联系我们
手机MP:13861181963 E-mail:sales@jihengelc.com;jihengelc@126.com; msn :henryshi123@hotmail.com