|
|
|
| |
| |
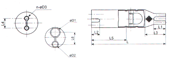
| | 铜制件 >> 叉形管、过滤器叉形管、过滤器-常州吉恒电器有限公司 |
 |
|
|
|
| 序号 |
ΦD1 |
ΦD2 |
n-ΦD3 |
L1 |
L2 |
L3 |
L4 |
L5 |
L6 |
L |
| 1 |
Φ9 |
Φ6 |
Φ3.2 |
6 |
12 |
|
11 |
33 |
|
75 |
| 2 |
Φ9.2 |
Φ6.2 |
Φ3.2,Φ2.2 |
10 |
10 |
16 |
8 |
32 |
13 |
75 |
| 3 |
Φ9.2 |
Φ6.2 |
2-Φ3.2 |
12 |
10 |
16 |
8 |
32 |
13 |
75 |
| 4 |
Φ9 |
Φ6 |
2-Φ3.1 |
12 |
12 |
23 |
8 |
35 |
12.5 |
75 |
| 5 |
3-Φ6 |
2-Φ3.2 |
12 |
12 |
20 |
8 |
|
20 |
60 |
| 6 |
Φ3.2 |
Φ3.2 |
3-Φ6.1 |
12 |
10 |
18 |
18 |
35 |
6 |
75 |
| 7 |
Φ4 |
Φ4 |
Φ10 |
8 |
6 |
|
8 |
30 |
|
65 | |
|
|
|
|
|
|
|