压力开关系列
家用及商用
汽车空调用
可调压控
压力传感器
空调电机系列
热保护器系列
温控器系列
阀门系列
铜制件
胶带
|
铜制件
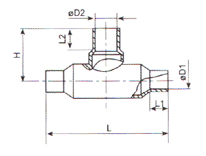
>> T型缩口三通
T型缩口三通-常州吉恒电器有限公司
序号
ΦD1
ΦD2
L1
L2
L
H
规格
ΦDxt
specification
1
Φ12.1
Φ12.1
10
12
68
20
Φ19×1.5
2
Φ12.1
Φ19.1
10
12
68
20
Φ19×0.9
3
Φ8.2
Φ5.8
9
6
60
36
Φ9×0.9
4
Φ12.8
Φ19.1
12
11
68
40
Φ22×1
5
Φ12.9
Φ12.9
8
8
42
21
Φ12×1
点击数:3096 录入时间:2008-08-22 【
打印此页
】 【
关闭窗口
】
Copyright © 2007 www.jihengelc.com
常州吉恒电器有限公司
提供优质的
电机热保护器
苏ICP备07503935号
返回首页
|
关于吉恒
|
产品展示
|
在线订单
|
联系我们
手机MP:13861181963 E-mail:sales@jihengelc.com;jihengelc@126.com; msn :henryshi123@hotmail.com